Магазин запчастей для бытовой техники - Arlos
Москва
close
Выберите ваш регион
АбаканАлександровАльметьевскАнгарскАрзамасАрмавирАртемАрхангельскАстраханьАчинскБалаковоБалашихаБеларусьБелгородБердскБерезникиБийскБлаговещенскБратскБрянскВеликий НовгородВидноеВладивостокВладикавказВладимирВолгоградВолгодонскВолжскийВологдаВолховВоркутаВоронежВоскресенскВыборгГатчинаГеленджикГрозныйДедовскДербентДзержинскДзержинскийДимитровградДмитровДолгопрудныйДомодедовоДонецкЕвпаторияЕгорьевскЕкатеринбургЕлецЕссентукиЖелезногорскЖелезнодорожныйЖуковскийЗеленоградЗлатоустИвановоИвантеевкаИжевскИркутскИстраЙошкар-ОлаКазаньКалининградКалугаКаменск-УральскийКамышинКаспийскКемеровоКерчьКировКисловодскКлинКовровКоломнаКомсомольск-на-АмуреКопейскКоролёвКостромаКотельникиКрасногорскКраснодарКраснознаменскКрасноярскКурганКурскКызылЛенинск-КузнецкийЛипецкЛобняЛыткариноЛюберцыМагнитогорскМайкопМалаховкаМахачкалаМиассМоскваМурманскМуромМытищиНабережные ЧелныНазраньНальчикНаро-ФоминскНахабиноНаходкаНевинномысскНефтекамскНефтеюганскНижневартовскНижнекамскНижний НовгородНижний ТагилНовокузнецкНовокуйбышевскНовомосковскНовороссийскНовосибирскНовоуральскНовочебоксарскНовочеркасскНовошахтинскНовый УренгойНогинскНорильскНоябрьскОбнинскОдинцовоОктябрьскийОмскОрелОренбургОрехово-ЗуевоОрскПавловский ПосадПензаПервоуральскПермьПетрозаводскПетропавловск-КамчатскийПодольскПрокопьевскПсковПушкиноПятигорскРаменскоеРеутовРостов-на-ДонуРубцовскРыбинскРязаньСакиСалаватСамараСанкт-ПетербургСаранскСаратовСевастопольСеверодвинскСеверскСергиев ПосадСерпуховСимферопольСмоленскСосновый БорСочиСтавропольСтарый ОсколСтерлитамакСтупиноСургутСызраньСыктывкарТаганрогТамбовТверьТихвинТольяттиТомилиноТомскТроицкТулаТюменьУлан-УдэУльяновскУссурийскУсть-ИлимскУфаУхтаФеодосияФрязиноХабаровскХанты-МансийскХасавюртХимкиЧебоксарыЧелябинскЧереповецЧеркесскЧеховЧитаШахтыЩелковоЭлектростальЭлистаЭнгельсЮжно-СахалинскЯкутскЯлтаЯрославль
  • - бесплатно по РФ
    Автоперезвон. Работает по принципу: Вы позвонили на номер, мы сбрасываем звонок и перезваниваем через 3 секунды.
  • - по Москве
  • 8 (925) 663-83-63

Call-центр

пн-вс: 10:00-19:00

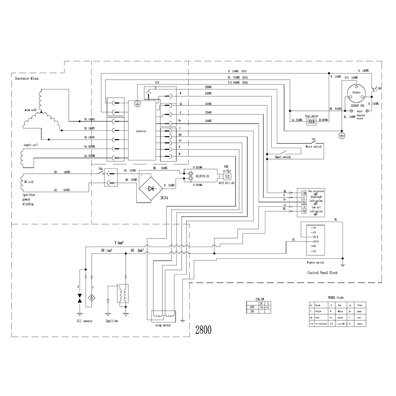
Инверторный генератор СБИ-2800

Данная модель имеет несколько схем

NАртикулНазваниеСрок отгрузкиЦенаКупить
1.01 N000-041-187 Датчик топлива поплавковый.
1.02 N000-041-162 Бак топливный.
1.03 N000-041-166 Крышка топливного бака
1.04 N000-041-164 Фильтр топливный
1.09 N000-041-160 Виброгаситель
1.10 N000-041-167 Штуцер
1.11 N000-041-013 Рама
1.12 N000-041-210 Пластина монтажная двигателя правая
1.14 N000-041-209 Пластина монтажная двигателя левая
1.15 N000-041-168 Амортизаторы
1.17 N000-041-165 Кран топливный
1.18 N000-041-211 Рукоятка топливного крана
1.20 N000-041-158 Трубка топливная
1.22 N000-041-170 Ножка резиновая
1.23 N000-041-175 Панель передняя
1.24 N000-041-016 Панель приборная
1.25 N000-041-179 Выход USB
1.26 N000-041-177 Индикатор состояния питания
1.27 N000-032-881 Розетка 220В/16А 383 р.
1.29 N000-041-180 Порты параллельного соединения
1.30 N000-041-186 Вольтметр цифровой/счетчик моточасов
1.31 N000-041-181 Выход 12 вольт
1.32 N000-041-173 ЭКО-переключатель
1.33 N000-041-182 Кнопка сброса
1.34 N000-041-172 Выключатель главный
1.35 N000-041-009 ДВС в сборе
1.36 N000-041-200 Инвертор
2.01 N000-041-148 Стартер ручной в сборе
2.06 N000-041-146 Храповик
2.07 N000-041-142 Крыльчатка
2.08 N000-041-020 Ротор
2.09 N000-041-023 Статор
2.10 N000-041-152 Сальник D41.25xd25
2.11 U009-620-500 Подшипник шариковый 6205 (52х25х15) 744 р.
2.12 N000-041-032 Картер
2.13 N000-041-184 Датчик уровня масла поплавковый
2.15 N000-041-140 Кожух нижний
2.16 N000-041-030 Прокладка болта слива масла
2.18 N000-041-085 Вал коленчатый
2.19 N000-041-027 Прокладка картера
2.20 N000-041-107 Щуп масляный
2.21 N000-041-035 Крышка картера
2.22 N000-041-183 Реле датчика масла
2.24 N000-041-159 Крепление глушителя
2.26 N000-041-071 Шатун
2.27 N000-041-074 Поршень
2.28 N000-041-077 Палец поршневой
2.29 N000-041-080 Кольцо стопорное поршня
2.30 N000-041-082 Кольца поршневые комплект (30-32)
2.33 N000-041-133 Глушитель
2.34 N000-041-191 Магнето
2.38 N000-041-118 Прокладка воздушного фильтра
2.39 N000-041-115 Карбюратор
2.40 N000-041-109 Прокладка карбюратора
2.41 N000-041-112 Теплозащита карбюратора
2.42 N000-041-121 Прокладка впуска
2.44 N000-041-065 ГБЦ
2.45 N000-041-062 Прокладка ГБЦ
2.46 N000-041-055 Клапан впускной
2.47 N000-041-059 Клапан выпускной
2.48 N000-041-092 Толкатель клапана
2.49 N000-041-096 Распредвал
2.50 N000-041-124 Патрубок
2.51 N000-041-051 Тарелка пружины выпускного клапана
2.52 N000-041-058 Тарелка пружины впускного клапана
2.53 N000-041-045 Пружина клапана
2.54 N000-041-042 Колпачек маслосьемный
2.56 N000-001-726-2 Свеча зажигания F7TC для газонокосилок 383 р.
2.60 N000-041-100 Коромысло
2.62 N000-041-068 Ограничитель
2.63 N000-041-039 Прокладка клапанной крышки
2.64 N000-041-136 Клапанная крышка
2.65 N000-041-127 Фильтр воздушный в сборе
2.66 N000-041-089 Штанга
2.67 N000-041-129 Прокладка глушителя
2.69 N000-041-155 Трубка топливная
2.74 N000-041-205 Двигатель шаговый
2.77 N000-041-006 Элемент фильтрующий
Найдено товаров: 78
1
▲ Наверх
0
8 (925) 663-83-63

Call-центр

пн-вс: 10:00-19:00

НАЙТИ ПО МОДЕЛИ
Введите номер заказа
Введите номер своего заказа, что бы узнать его текущий статус.
Что бы получить доступ к расширенным функциям, пройдите не сложную регистрацию. Зарегистрироваться